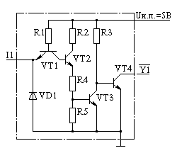
Каждая микросхема содержит по шесть инверторов, причем ЛН4 содержит элементы без инверсии, а элементы ЛН6 имеют дополнительный вход ЕО разрешения по выходу, т. е. имеют третье состояние Z. Принципиальные схемы элементов группы ЛН представляют собой обычные инверторы. Микросхема ЛН1 имеет двухтактный выходной каскад, остальные ИС имеют выходы с открытым коллектором, причем ЛН5 содержит шесть инверторов с открытыми коллекторами, выходное напряжение на которых можно повысить до 15 В, применив дополнительный источник питания. Микросхема ЛН4 имеет еще дополнительный инвертор, выполненный на транзисторе VT3 (рис. 2.17), и может выполнять роль буферного элемента без инверсии входного сигнала.

Цоколевки микросхем ЛН и их условные графические обозначения приведены на рис. 2.18, а основные параметры даны в табл. 2.5.
